Диск тормозной перед. Renault Megane IV, Talisman 1.3-1.6D 11.15- HELLA 8DD 355 131-871
|
2 620 ₴
завтра
|
- Производитель
- HELLA
- Каталожный номер
- 8DD 355 131-871
- Тип тормозного диска
- с внутренней вентиляцией
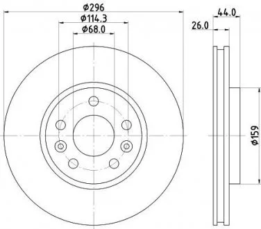
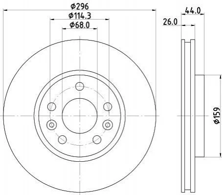
- Наружный диаметр [мм]
- 296
- Толщина тормозного диска (мм)
- 26
- Минимальная толщина [мм]
- 23.4
- Высота [мм]
- 44
- Расположение/число отверстий
- 05/07
- Фаска 2 [мм]
- 114.3
- Диаметр центрирования [мм]
- 68
- Вес [кг]
- 7.5
- Дополнительный артикул / дополнительная информация 2
- без ступицы
- Поверхность
- с покрытием
- Номер технической информации
- 56007PRO
Применяемость
- Товар подходит к маркам/моделям авто:
- - Renault: Megane
- Товарная группа:
- - Тормозная система Тормозные диски
Аналоги "8DD 355 131-871 HELLA":
Оригинальные номера
OEM:
24012601891
RENAULT:
402062000R
Каталог запчастей для автомобилей к которым применяется эта деталь
