Тросик стояночного тормоза ADRIAUTO 33.0212.1
Данная запчасть не подходит для выбранного автомобиля
требуется проверка по VIN коду, уточняйте совместимость у наших специалистов
требуется проверка по VIN коду, уточняйте совместимость у наших специалистов
|
1 135 ₴
завтра
|
- Производитель
- ADRIAUTO
- Каталожный номер
- 33.0212.1
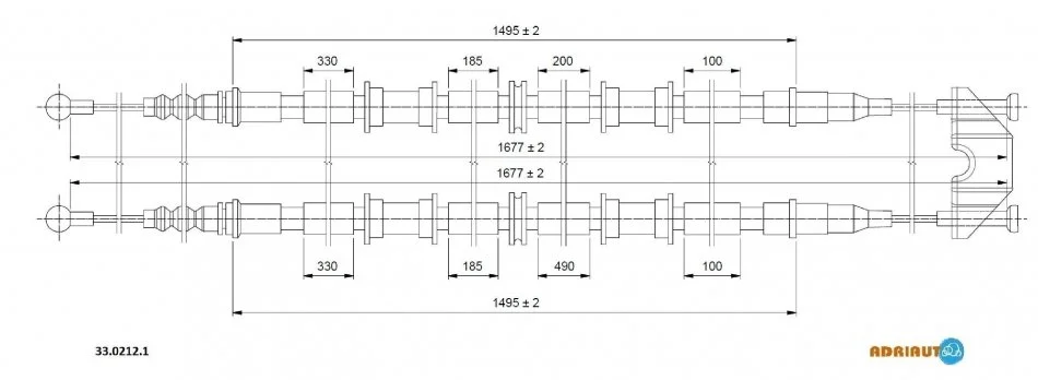
- Длина 1/длина 2 [мм]
- 1675/1495+1675/1495
Применяемость
- Товар подходит к маркам/моделям авто:
- - Opel: Zafira
- Товарная группа:
- - Тормозная система Трос ручника
Аналоги "33.0212.1 ADRIAUTO":
Оригинальные номера
GM:
13153656
522454
Каталог запчастей для автомобилей к которым применяется эта деталь
