Диск тормозной с покрытием PRO; передняя. HELLA 8DD355125121
Данная запчасть не подходит для выбранного автомобиля
требуется проверка по VIN коду, уточняйте совместимость у наших специалистов
требуется проверка по VIN коду, уточняйте совместимость у наших специалистов
|
3 860 ₴
завтра
|
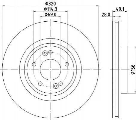
- Производитель
- HELLA
- Каталожный номер
- 8DD355125121
- Минимальная толщина [мм]
- 26.4
- Диаметр [мм]
- 320
- Расположение/число отверстий
- 05/07
- Высота [мм]
- 49.1
- Номер технической информации
- 55818PRO
- Диаметр центрирования [мм]
- 69
- Вес [кг]
- 9.44
- Фаска 2 [мм]
- 114.4
- Толщина тормозного диска (мм)
- 28
- Тип тормозного диска
- с внутренней вентиляцией
- Поверхность
- с покрытием
- Дополнительный артикул / дополнительная информация 2
- без ступицы
без колесной крепящей оси - Наружный диаметр [мм]
- 320
Применяемость
- Товар подходит к маркам/моделям авто:
- - Hyundai: Santa Fe
- Товарная группа:
- - Тормозная система Тормозные диски
Аналоги "8DD355125121 HELLA":
Оригинальные номера
MOBIS:
517124Z000
517122W000
Каталог запчастей для автомобилей к которым применяется эта деталь
